الميزات الرئيسية
| ● نطاق تردد التشغيل 45-1000 ميجاهرتز |
| ● 33 ديسيبل كسب ماكس |
| ● ضوضاء منخفضة: 3.5 باسكال / √ هرتز مكافئ لتيار ضوضاء الإدخال (EINC) |
| ● الخطية: -68 ديسيبل CSO و -70 ديسيبل CTB عند +78dBc خرج RF لكل قناة (60 قناة PAL-D DS22) |
| ● نطاق كسب ديناميكي عالي، نطاق تحكم في الكسب يبلغ 32 ديسيبل |
| ● استهلاك منخفض للطاقة، 210 مللي أمبير لمخرج RF واحد بجهد إمداد 5 فولت |
|
● 0-3V جهد التحكم AGC |
|
● دعم -10dBm إلى +2dBm نطاق بصري واحد |
|
● استهلاك منخفض للطاقة، 110 مللي أمبير لمخرج RF واحد بجهد إمداد 12 فولت |
|
● حزمة QFN4X4-24L خالية من الرصاص/RoHS |
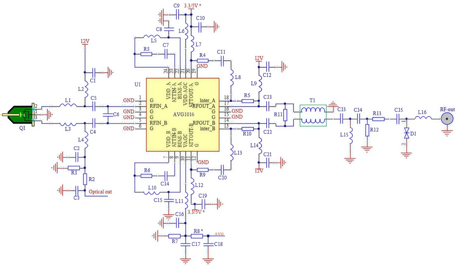
مضخم الكسب المتغير AVG1016
إن AVG1016 من Sanland عبارة عن مضخم صوت متغير مزود بـ مخفف الجهد المتحكم فيه. مكبر للصوت لديه عالية الخطية وانخفاض مستوى الضجيج الذي تم تحقيقه باستخدام 0.5um عملية GaAs E-pHEMT. يقع في نموذج مصغر 4.0x حزمة 4.0 مم ذات 24 سنًا رباعية مسطحة غير الرصاص (QFN). إنها مصممة للاستخدام الأمثل من 45 ميجا هرتز إلى 1000 ميجا هرتز. البصمة المدمجة والملف الشخصي المنخفض مقترنًا بالارتفاع الكسب والخطية العالية تجعل من AVG1018 خيارًا مثاليًا كمضخم لشبكة CATV وشبكة FTTH.

| يكتب | المصب |
| الحد الأدنى للتردد (جيجاهرتز) | 0.05 |
| التردد الأقصى (جيجاهرتز) | 1.0 |
| كسب (ديسيبل) | 32 ديسيبل |
| منظمات المجتمع المدني (ديسيبل) | -68 |
| الحظر الشامل للتجارب (ديسيبل) | -70 |
| نف (ديسيبل) | 1.5 |
| الجهد (الخامس) | 12 فولت |
| الحالي (مللي أمبير) | 110 |
| نوع الحزمة | QFN |
| بنفايات | نعم |
| خالية من الرصاص | نعم |
| خالٍ من الهالوجين | نعم أو لا |
